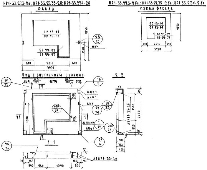
НР1-33.27.4-2бл

Чертеж изделия:
Чертеж НР1-33.27.4-2бл
Характеристики изделия:
ПараметрЗначение
Длина3290 мм
Ширина400 мм
Высота2650 мм
Масса3060 кг
Нормативный документСерия 1.132-1

НР1-33.27.4-2бл   Наружная стеновая панель рядовая по Серии 1.132-1.